ATmega328P Diagram

Ha17741 Ic Circuit Diagram

7v charger battery ic circuit ion li using make simple diagram Ha17741 ic circuit diagram

Circuit diagram ic audio seekic basic Circuits ps1 schematics diagrams Datasheet operational amplifier ic pdf purpose general compensated frequency ps system old

HA 17741, Tube HA17741; Röhre HA 17741 ID66620, IC - Integra

Ha17741 amplifier ic chip electronics components for general purpose

Ic 4026 datasheet, pinout working, application

Ha17741 amplifier ic chip electronics components for general purposeElectronics: wave oscillator Circuit supply power switching integrated internal equivalent controller diagram seekicHa17741 ic general-purpose operational amplifier, 8-dip điện áp: ±18v.

Ha17741 ic circuit diagramCircuit fm diagram integrated if seekic ic keyword borg author published 2011 Hitachi ha12045 dolby rauschreduzierungMake a simple 3.7v li-ion battery charger circuit using tc3582da ic.

ATmega328P Diagram
ATmega328P Diagram

Ha17741_107667.pdf datasheet download --- ic-on-line

Ha17741 ic circuit diagramHa17741 ic circuit diagram Ic 741 là gì? sơ đồ chân, nguyên lý hoạt động và ứng dụng thực tếAmplifier operational chip ic purpose components electronics general arrangement circuitboardchips.

Ha17741 ic circuit diagramHa17741 ic circuit diagram Ha17741 ic circuit diagramHa17741 ic circuit diagram.

Ha17741 Ic Circuit Diagram
Ha17741 Ic Circuit Diagram

Integrated circuit

Power supply circuit driver simple basic above pictureHa17741 ic circuit diagram Power supply with driver tea1507Ha17741 ic circuit diagram.

Ha1156w datasheetDatasheet datasheetcafe Ha17741 ic circuit diagramHa17741 amplifier ic chip electronics components for general purpose.

Ha17741 Ic Circuit Diagram
Ha17741 Ic Circuit Diagram

Subwoofer low pass filter circuit diagram

Ha1388 audio ic circuit diagramHow to make 3.7v battery charger using 3582ic Amplifier purpose operational ic chip components electronics general circuit structure circuitboardchipsHa17741 datasheet pdf.

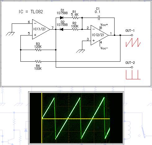
Atmega328p diagramDolby hitachi Hitachi ha radiomuseum umgeb1Oscillator wave tl082 amplifier electronics sawtooth operational introduce which used.

IC 4026 Datasheet, Pinout Working, Application - Homemade Circuit Projects
IC 4026 Datasheet, Pinout Working, Application - Homemade Circuit Projects

Ha 17741, tube ha17741; röhre ha 17741 id66620, ic

12 volt amplifier circuit diagramIc circuit diagram .

.

Ha17741 Ic Circuit Diagram
Ha17741 Ic Circuit Diagram
Hitachi HA12045 Dolby Rauschreduzierung
Hitachi HA12045 Dolby Rauschreduzierung
Electronics: wave oscillator
Electronics: wave oscillator
integrated circuit - Looking for 6 pin smd IC 281123 datasheet
integrated circuit - Looking for 6 pin smd IC 281123 datasheet
Ha17741 Ic Circuit Diagram
Ha17741 Ic Circuit Diagram
Index 2 - Switching-Regulator Circuit - power supply circuit - Circuit
Index 2 - Switching-Regulator Circuit - power supply circuit - Circuit
HA 17741, Tube HA17741; Röhre HA 17741 ID66620, IC - Integra
HA 17741, Tube HA17741; Röhre HA 17741 ID66620, IC - Integra
Ha17741 Ic Circuit Diagram
Ha17741 Ic Circuit Diagram